您好,欢迎进入陕西中技招标有限公司网站!
邮箱登录
|
传真:029-87304611
|
公众号
|
下载
投诉电话:029-88364979-856
搜索
咨询电话:
029-88364979
029-87304326
029-87304306
首页
走进中技
总经理寄语
公司简介
组织架构
业务范围
公司环境
新闻中心
行业新闻
企业文化
公司实力
资质中心
人员实力
档案管理
服务区域
招标信息
资格预审
采购前公示
招标公告
中标候选人公示
中标公告
变更公告
废标公告
法律法规
法律法规
部门规章
学习交流
诚聘英才
联系我们
乘车路线
联系方式
Toggle navigation
首页
走进中技
总经理寄语
公司简介
组织架构
业务范围
公司环境
新闻中心
行业新闻
企业文化
公司实力
资质中心
人员实力
档案管理
服务区域
招标信息
资格预审
采购前公示
招标公告
中标候选人公示
中标公告
变更公告
废标公告
法律法规
法律法规
部门规章
学习交流
诚聘英才
联系我们
乘车路线
联系方式
会员
中心
登录
注册
首页
招标信息
中标公告
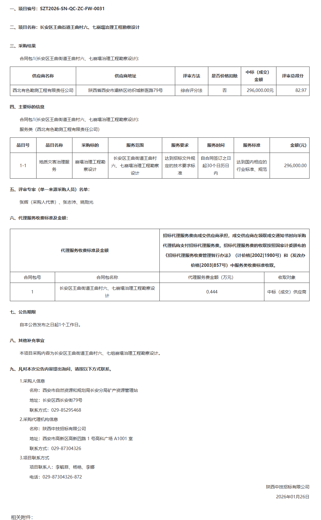
西安市自然资源和规划局长安分局矿产资源管理站长安区王曲街道王曲村六、七崩塌治理工程勘察设计中标(成交)结果公告
发布时间:2026-01-26 17:47:32
216 阅读
0 评论
0 点赞
长安区王曲街道王曲村六、七崩塌治理工程勘察设计报价明细附件.pdf
长安区王曲街道王曲村六、七崩塌治理工程勘察设计(SZT2026-SN-QC-ZC-FW-003120260113001)-文件集.zip
合同包1:中小企业声明函(西北有色勘测工程有限责任公司).pdf
点赞(
0
)
本文分类:
中标公告
本文标签:无
浏览次数:
216
次浏览
发布日期:2026-01-26 17:47:32
本文链接:
http://sxzjtc.com/cms/zhongbiaogonggao/6050.html
上一篇 >
西安市自然资源和规划局长安分局矿产资源管理站长安区王莽街道韦一村崩塌治理工程勘察设计中标(成交)结果公告
下一篇 >
西安电子科技大学校园自动售货柜运营项目成交结果公告
温馨提示《购买标书申请表》
西安沣东第二小学2025年物业管理服务项目(二次)中标(成交)结果公告
陕西省人民医院2025年度中药饮片采购项目招标公告
陕西机电职业技术学院高水平专业群建设—机电一体化技术专业群内涵建设提升项目(二次)招标公告
评论列表
共有
0
条评论
暂无评论
发表评论
取消回复
登录
注册新账号
立即
投稿
发表
评论
返回
顶部
发表评论 取消回复